水泥廠應用了大量的風機。但是很多山東離心風機的風量很難測量或是缺少必要的專用是設備和經驗。
為此,本平臺特地提出一種簡要的方法,幫助水泥企業測量有關風機的風量。
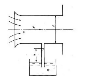
如下圖所示,在風機圓形管道下接一根下端插入盛水容器的玻璃管,若玻璃管中的水的上升高度為h,則可以計算風機的流量Q(工況流量)。

根據伯努利方程,取風機進口處為基準面,玻璃管為斷面,建立方程:
0 + 0 + 0 = 0 + p/ (ρ氣 * g) + v*v/2g
而玻璃管中的p = ρ水 * g * h
可得 v = sqrt(2 * g *h *ρ水/ρ氣 )
而Q = v * π/4 * d * d 。
該方法為求風機實際風量的建議計算方法,只需要知道玻璃管中水柱的高度即可。如果現場風機安裝有壓力表,也可以直接用壓力表讀數計算。
山東離心風機風量和風壓過小的原因與對策
高壓離心風機葉輪工作時,機內存在壓力較高和壓力較低的兩個區域。1、由于運動部件和固定部件之間必然存在間隙,這就使流體有從高壓區通過縫隙泄漏到低壓區的可能性,氣體從通風機轉軸與蝸殼之間的間隙處泄漏,形成外泄漏損失。2、蝸殼靠近前盤的氣流,經過葉輪進口與進氣口之間的間隙,流回到葉輪進口的低壓區,導致內泄漏損失。以上便是導致高壓離心風機風壓和風量過小的兩大主要原因。
間隙越大,風機風量和風壓越小,風機效率越低。這一點既為試驗所證實,也為廣大山東離心風機廠家所承認。為此可采取以下對策:
1、采用物理方法縮小間隙的工作量太大,更換風機部件,或者大修機器。
2、采用化學方法縮小間隙,即在間隙內均勻填充強力萬能膠.該膠膠接強度高,耐水、油、酸、堿,耐濕熱老化,在機械制造、維修,農機、家具方面用途十分廣泛。
3、對風機進行了試驗測試,諾風機的風量和壓力均有增加,則可有效提高風機運轉效率。
版權聲明:文章來源于www.nangwai.cn/index.php?c=show&id=815,轉載請注明出處!